衰减器

衰减器
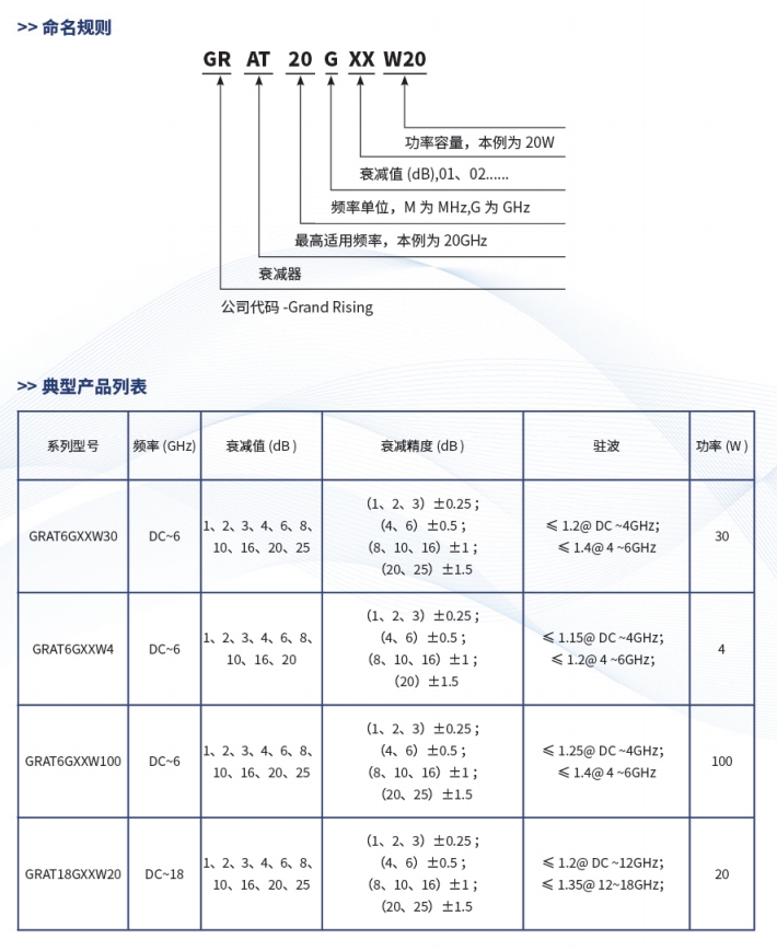
产品简介:国强裕兴电子科技可提供薄膜工艺生产的小型化贴片功率衰减器,具有多个系列,多种标称衰减值规格,最大功率容量100W,货架产品频率覆盖18GHz。使用频率在18-40GHz之间或衰减值在标称值之外的需求可以定做。

国强裕兴电子科技可提供薄膜工艺生产的小型化贴片功率衰减器,具有多个系列,多种标称衰减值规格,最大功率容量100W,货架产品频率覆盖18GHz。使用频率在18-40GHz之间或衰减值在标称值之外的需求可以定做。